快速關閉閥驅動裝置液壓系統方案設計
1 概述
抽汽汽輪機組可以實現熱電聯供而廣泛應用于熱電廠的供熱系統中,為防止汽輪機抽汽管道蒸汽倒流與冷凝水倒灌,引發汽輪機超速事故,在汽輪機抽汽管道上電動截止蝶閥與止回閥之間需安裝快關,以瞬間切斷管路保護汽輪機安全。由于快關蝶閥的關閉速度快(<1s),輸出力大(>100kN),必須使用液壓驅動裝置,為適應各種型號的閥門,對快關蝶閥液壓驅動裝置進行了系列化設計。
2 結構
快關蝶閥液壓驅動裝置由液壓泵站、控制閥組、蓄能器、快速油缸、電氣控制箱等5部分組成(圖 1),它可以完成蝶閥的慢開、慢關、快關、活動等動作。

圖 1 快關蝶閥液壓驅動裝置外型(1.電氣控制箱 2.蓄能器 3.液壓泵站 4.控制閥組 5.快速油缸)
2.1 液壓控制部分
根據快關蝶閥的要求和計算,液壓驅動裝置的基本參數確定如《表 1》。
| 參數 | 系列 1 | 系列 2 |
|---|---|---|
| 油箱容積 V / L | 50 | 80 |
| 額定流量 qm / L*min | 2.0 | 3.0 |
| 工作壓力 p / MPa | 13~16 | 15~18 |
| 保壓性能 | 4h 壓降不大于 2MPa | |
| 開閥時間 | 10~30s(0~90°)可調 | |
| 關閥時間 | 10~30s(90~0°)可調 | |
| 快開閥時間 | <0.5s(包括緩沖時間小于 1s) | |
| 過濾精度 | 10μm | |
| 蓄能器預壓力 py / MPa | 8.0±10% | 9.0±10% |
| 工作介質 | N46~N68 號抗磨液壓油 | |
液壓泵站由電機、聯軸器、液壓泵、進油過濾器、高壓過濾器、油箱等元件組成,其主要作用是供給系統所需的壓力油,為蓄能器提供流量和壓力,設計時采用了進口高壓低噪聲的齒輪泵,泵裝置采用立式安裝和倒置結構的高壓過濾器,結構緊湊,又保證了系統油液清潔,以保證各種控制閥能正常動作。為滿足不同快關蝶閥的需要,分成2個系列來進行設計。

圖 2 液壓控制閥組(1.電磁閥 DT3 2.電磁閥 DT2 3.截止閥 AV1 4.截止閥AV3 5.截止閥AV2 6.溢流閥RV 7.測壓接頭MP8.截止閥 AV4 9.壓力開關 KP2 10.壓力開關 KP1 11.電磁閥DT1)
控制閥組(圖 2)主要由閥塊、溢流閥、單向閥、節流閥、截止閥、電磁閥、壓力繼電器和壓力表等組成,溢流閥 RV 的作用是設定系統安全壓力,截止閥 AV1 的作用是釋放系統壓力油回油箱,節流閥AV3的作用是調節系統關閥速度,節流閥AV2的作用是調節系統開閥速度,壓力繼電器 KP2 的作用是設定系統油壓控制上限點,壓力繼電器 KP1 的作用是設定系統油壓控制下限點,壓力表的作用是顯示系統油壓,為了減少系統的內泄漏和油泵的啟動次數,節省能源,便于維修和安裝,選用了進口的螺紋插裝閥和優質的二通插裝閥。為了滿足不同快關蝶閥的需要,閥塊分成左閥塊、中間閥塊和右閥塊三部分來進行設計,通過不同的組合應對不同的要求。
蓄能器為蝶閥慢開、慢關、快關及活動等動作時提供能源,蓄能器規格的選擇經過了嚴格的計算,每個系統不同,以滿足系統保壓和蝶閥快關的要求。蓄能器用的氮氣可以看成是理想氣體,而快速的膨脹和壓縮過程可以看成是絕熱的狀態變化,所需選用蓄能器總容積的計算公式為:

式中:
V0——蓄能器理想總容積,m3
ΔV——蓄能器所需的有效排油量,m3
P0——蓄能器充氣壓力(絕對壓力),Pa
P1——系統最低工作壓力(絕對壓力),Pa
P2——系統最高工作壓力(絕對壓力),Pa
K——氣體的多變指數(氮氣的多變指數 K=1.4)

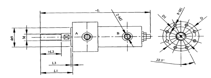
圖 3 快速油缸
快速油缸(圖 3)是通過齒輪齒條推動蝶閥的執行機構,為保證其運行可靠,油缸密封選用了進口的密封圈,并設置了液壓緩沖裝置以保護蝶閥,設計了節流裝置,按系統要求控制驅動外界負載,直接安裝于齒輪齒條傳動裝置上。為更好地與快關蝶閥連接,快速油缸也做了系列化設計,見《表 2》。
| 油缸規格型號 | d | M | D1 | M1 | L1 | L2 | L3 | L | D | M2 |
|---|---|---|---|---|---|---|---|---|---|---|
| φ40/25×95 | 66 | M20×2 | 85 | M8 | 80 | 50 | 5 | 250 | 105 | M18×115 |
| φ40/25×126 | 66 | M20×2 | 85 | M8 | 80 | 50 | 5 | 280 | 105 | M18×115 |
| φ50/28×126 | 72 | M24×2 | 92 | M10 | 100 | 65 | 5 | 300 | 112 | M22×115 |
| φ50/28×157 | 72 | M24×2 | 92 | M10 | 100 | 65 | 5 | 350 | 112 | M22×115 |
| φ63/35×157 | 80 | M30×2 | 100 | M10 | 110 | 70 | 10 | 380 | 120 | M33×2 |
| φ63/35×189 | 80 | M30×2 | 100 | M10 | 110 | 70 | 10 | 420 | 120 | M33×2 |
| φ80/45×189 | 90 | M42×2 | 110 | M12 | 120 | 80 | 10 | 440 | 135 | M42×2 |
| φ80/45×220 | 90 | M42×2 | 110 | M12 | 120 | 80 | 10 | 480 | 135 | M42×2 |
2.2 電氣控制部分
根據液壓控制部分的要求,確定電氣控制系統的參數,見《表 3》。
| 參數 | 系列 1 | 系列 2 |
|---|---|---|
| 電機功率 P / kW | 1.1 | 1.5 |
| 開關電源 | 60W | |
| 控制電壓 | DC 24V | |
| 電源進線 | 三相四線制 AC 380V/AC 220V ±10%, 2kW | |
| 控制電源 | AC 220V ±10% | |
?快關蝶閥液壓驅動裝置電控系統采用自行設計的專用集成印刷線路板,經嚴格測試證明該線路板調節方便,性能穩定,質量可靠。電控箱由開關電源、交流接觸器、熱繼電器、斷路器、線路板和接線端子等組成。電氣控制分普通繼電器控制箱和 PLC 型電控箱兩種。
3 型號編制
電液控制驅動裝置的型號由9個單元組成,用來表明裝置的代號、閥門公稱通徑、閥門公稱壓力、儲能形式、快關動作形式、帶手動動作、帶油源系統、電氣選項和產品版本號。裝置型號的9個單元按下列順序排列:
① 產品代號——HGKG,電液控快速關斷蝶閥電液控制驅動裝置;
② 閥門公稱通徑——DN200、DN250、DN300、DN350、DN400、DN450、DN500、DN550、DN600、DN650、DN700、DN750、DN800、DN900、DN1000、DN1.00、DN1200、DN1300、DN1400、DN1500、DN1600、DN1800、DN2000;
③ 閥門公稱壓力——PN6、PN10、PN16、PN20、PN25、PN40、PN50、PN63.3;
④ 儲能形式——X為蓄能器型(默認選項),T 為彈簧型;
⑤ 快關動作形式——E為得電動作型(默認選項),D為失電動作型;
⑥ 帶手動動作——S(蓄能器型用);
⑦ 帶油源系統——P(彈簧型用);
⑧ 電氣選項——PT為普通繼電器控制型(默認選項),XD為PLC控制型;
⑨ 產品版本號——2X,3X;
舉例:HGKG①-450②/06③-X④-E⑤-S⑥/P⑦-PT⑧-2X⑨
4 結語
快關蝶閥電液控制驅動裝置經過多次優化設計后,既能實現遠程控制,又能實現本地控制箱操作面板控制。通過選用進口高壓低噪聲的齒輪泵、高壓大流量的邏輯閥、結構緊湊的螺紋插裝閥和專用的控制線路板,快關速度可達到 0.3s,且運行穩定可靠。