
二通不銹鋼旋塞閥主要供開啟和關閉管道和設備介質之用,塞體隨閥桿轉動,以實現啟閉動作。小型無填料的旋塞閥又稱為“考克”。旋塞閥的塞體多為圓錐體(也有圓柱體),與閥體的圓錐孔面配合組成密封副。旋塞閥是使用早的一種閥門,結構簡單、開關迅速、流體阻力小。
產品介紹:
二通不銹鋼旋塞閥采用304或316不銹鋼材質制作,用于硝酸類、醋酸類含顆粒介質。廣泛地應用于油田開采、輸送和精練設備中,同時也廣泛用于瀝青、硝酸、醋酸、石油、化工、煤氣、油品、天然氣、液化石油氣、水、暖通行業以及一般工業中。
工作原理:
二通不銹鋼旋塞閥是柱塞形的旋轉閥,啟閉件是一個有孔的圓柱體,繞垂直于通道的軸線旋轉,起到切斷和接通介質以及分流介質的作用,通過旋轉90度使閥塞上的通道口與閥體上的通道口相同或分開,實現開啟或關閉的一種閥門。
產品特點:
1、不受安裝方向的限制,介質的流向可任意。
2、適用于經常操作,啟閉迅速、輕便、流體阻力小。
3、結構簡單,相對體積小,重量輕,便于維修、密封性能好。
4、閥體、閥芯材料可根據使用情況隨意更換,結構簡單,密封性能好,使用廣泛。
二通不銹鋼旋塞閥主要性能規范:
型號 | 公稱壓力 | 試驗壓力PS(MPa) | 適用介質 | 工作溫度(℃) | |
殼體 | 密封 | ||||
X43W-1.0P | 1.0 | 1.5 | 1.1 | 硝酸類 | ≤250 |
X43W-1.0R | 1.0 | 1.5 | 1.1 | 醋酸類 | -20~150 |
零部件材料:
閥體 | 塞子 | 填料壓蓋 | 填料 |
鉻鎳鈦不銹鋼 | 鉻鎳鈦不銹鋼 | 鉻鎳鈦不銹鋼 | 油浸石棉盤根 |
鉻鎳鉬鈦不銹鋼 | 鉻鎳鉬鈦不銹鋼 | 鉻鎳鉬鈦不銹鋼 |
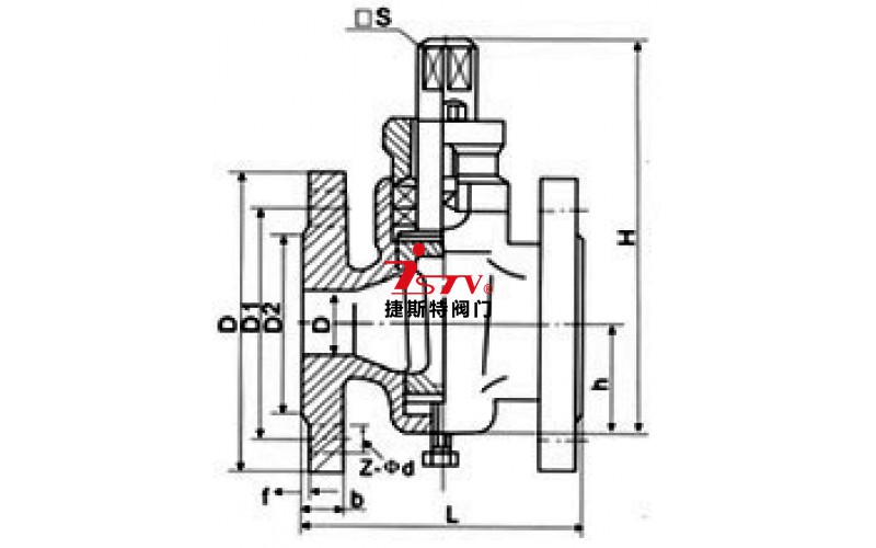
產品尺寸:
公稱通徑 | 尺寸(mm) | |||||||||
L | D | D1 | D2 | f | b | z-φd | □s | h | H | |
15 | 80 | 95 | 65 | 45 | 2 | 14<, o:p=""> | 4-φ14 | 14 | 26 | 99 |
20 | 90 | 105 | 75 | 55 | 2 | 16 | 4-φ14 | 14 | 34 | 124 |
25 | 110 | 115 | 85 | 65 | 2 | 16 | 4-φ14 | 17 | 38 | 133 |
32 | 115 | 135 | 100 | 78 | 2 | 18 | 4-φ18 | 18 | 45 | 152 |
40 | 150 | 145 | 110 | 85 | 3 | 18 | 4-φ18 | 26 | 55 | 212 |
50 | 170 | 160 | 125 | 100 | 3 | 20 | 4-φ18 | 28 | 74 | 260 |
65 | 220 | 180 | 145 | 120 | 3 | 20 | 4-φ18 | 32 | 82 | 295 |
80 | 250 | 195 | 160 | 135 | 3 | 22 | 4-φ18 | 40 | 95 | 327 |
100 | 300 | 215 | 180 | 155 | 3 | 26 | 8-φ18 | 45 | 135 | 425 |
125 | 350 | 245 | 210 | 185 | 3 | 24 | 8-φ18 | 54 | 154 | 482 |
150 | 400 | 280 | 240 | 210 | 3 | 24 | 8-φ23 | 62 | 172 | 512 |
200 | 450 | 335 | 295 | 265 | 3 | 24 | 8-φ23 | 75 | 195 | 605 |
250 | 530 | 390 | 350 | 320 | 3 | 28 | 12-φ23 | 85 | 230 | 660 |
300 | 580 | 440 | 400 | 368 | 3 | 30 | 12-φ23 | 100 | 263 | 760 |